26,90 € *
Lieferbar in 1-2 Werktage**
Stk.
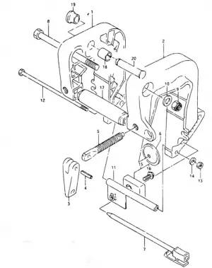
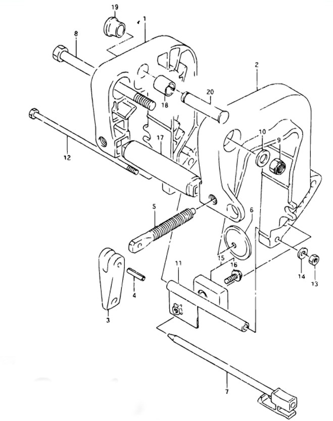
Ersatzteile Suzuki 8PS (5,88KW) 2Takt Außenborder , Außenteile-, Klemmschelle-, Ersatzteile, DT8

Fehlt hier in der Liste ein Ersatzteil, fragen Sie uns einfach per Mail oder Telefon an!
Denn das kann mehrere Gründe haben, entweder ist das Teil nicht mehr lieferbar oder wir haben es bisher noch nicht gelistet.
Letzteres, können wir dann noch ermöglichen!



Achtung! Wichtige Infos zu Aussenborder Tuning-, Racing- und Ersatzteilen!
Bitte beachten Sie, dass wir die Ersatzteile erst nach Bestellung und Geldeingang für Sie beim Hersteller bestellen.
Dabei kann es zu Lieferverzögerungen von ein paar Tagen kommen. Die Durchschnittslieferzeiten betragen 3-5 Werktage.
Bei der Bestellung von Ersatzteilen gehen Sie mit uns einen Werksvertrag ein.
Das bedeutet, dass die Artikel extra für Sie bestellt werden und somit von der Rückgabe und Umtausch ausgeschlossen sind, dies gilt insbesondere für Elektronikteile.

Wichtig! Durch den Einbau von Tuning- und Racingteilen, verlieren bzw. erlischt in der Regel von den Außenbordmotoren die Betriebserlaubnis, die Herstellergarantie und Gewährleistung. Grund dafür ist das die Serienmotoren nur bis zu einem Leistung ausgelegt sind und die einzelnen Bauteile genau aufeinander abgestimmt sind. So kann es bei einer Leistungssteigerung zu einen erhöhten Verschleiß und Ausfall bzw. Beschädigung von Teilen kommen. Zudem wird die Abgasnorm in der Regel überschritten. Bitte beachten Sie, dass beim Einbau von Tuning- und Racingteilen, das komplette Risiko an den Kunden übergeht.
Viele Dank für Ihr Verständnis!

Bewerten Sie jetzt diesen Artikel und schreiben Sie uns Ihre Meinung.